Products
PRODUCTS
2-54-5

CFR7-100B RCCB

RCCB and RCBO

Print This Page

E-Mail To Us: conflyelectric@conflyelectric.com

Fax: +86 - 577 - 6158 6625

PDF File Download: CFR7-100B
Description
CFR7-100B integrates an electronic residual current detection module and an electromagnetic residual current detection module. The detection of high frequency residual current and smooth DC residual current within 1kHz is realized by an electronic circuit, combining the advantages of electromagnetic and electronic type.

Leakage protection and isolation, high short circuit withstand capability. Also provides the indirect protection against the operator and protection of the fire caused by the electric circuit faulty.
Technical Data
● Standard: IEC61008-1,IEC62423
● Residual current characteristics: B
● Pole No.: 1P+N, 3P+N
● Rated making and breaking capacity Im(A): 500A(In=25,40),10In(In=63,80,100)
● Rated residual making and breaking capacity I△m(A): Im
● Rated current(A): 25,40,63,80,100(80,100 for 1P+N only)
● Rated voltage: 240/415V AC
● Rated frequency: 50/60Hz
● Rated residual operating current I△n(mA): 30,100,300,500(500 only for 3P+N)
● Rated residual non operating current I△no: 0.5I△n
● Rated conditional short-circuit current Inc: 10kA
● Rated conditional residual short-circuit Current I△c: 10kA
● Tripping duration: instantaneous tripping≤0.1s
● Residual tripping current range: 0.5I△n~I△n
● Electro-mechanical endurance: 4000 cycles
● Connection capacity: Rigid conductor 35mm2 for 1P+N,25mm2 for 3P+N
● Connection terminal:
   Screw terminal
   Pillar terminal with clamp
● Fastening torque: 2.5Nm
● Installation:
   On symmetrical DIN rail 35mm
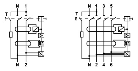
Wiring Diagram
Overall & Installation Dimensions